Обратный звонок
Пожалуйста, заполните данные.
Мы свяжемся с Вами в ближайшее время!
Имя
*
Телефон
*
Я согласен на
обработку персональных данных
Отправить
*
- обязательные поля
+7(995)398-01-16
Ростов-на-Дону
+7(995)398-01-16
Ростов-на-Дону
+7(909)405-72-02
Ростов-на-Дону
gsk-rostov@mail.ru
Отдел продаж
Показать на карте
Закрыть
Обратная связь
Закрыть
Поиск
Закрыть
Наш адрес
Обратная связь
Напишите нам и мы свяжимся в Вами!
Имя
*
E-mail
*
Я согласен на
обработку персональных данных
Сообщение
*
Отправить
*
- обязательные поля
Спасибо! Ваше сообщение отправлено на сайт, мы свяжемся с Вами в ближайшее время!
Поиск по сайту
Пн-Пт (9:00-18:00)
Сб-Вс вых.
+7(995)398-01-16
+7(909)405-72-02
Заказать звонок
Главная
Компания
О компании
Лицензии
Партнеры
Отзывы
Каталог
ФИТИНГИ
ФЛАНЦЫ
ОТВОДЫ
ПЕРЕХОДЫ
ТРОЙНИКИ
ЗАГЛУШКИ
ПОЖАРНОЕ ОБОРУДОВАНИЕ
ГИДРАНТЫ ПОЖАРНЫЕ
ПОЖАРНЫЕ ПОДСТАВКИ И ФЛАНЦЫ
ПОЖАРНЫЕ ВЕНТИЛИ И КЛАПАНЫ
ПРОТИВОПОЖАРНЫЕ МуФТЫ
НАСОСЫ GRUNDFOSS
БЫТОВАЯ СЕРИЯ
ПРОМЫШЛЕННАЯ СЕРИЯ
РЕДУКТОРЫ ДАВЛЕНИЯ
ВСТАВКИ ГИБКИЕ (КОМПЕНСАТОРЫ)
BENARMO
АДЛ
АБРАДОКС
ВАНТУЗЫ И ВОЗДУХООТВОДЧИКИ АВТОМАТИЧЕСКИЕ
КОНДЕНСАТООТВОДЧИКИ
ЧУГУННЫЕ
СТАЛЬНЫЕ
НЕРЖАВЕЮЩИЕ
МАНОМЕТРЫ
СЧЕТЧИКИ ВОДЫ
VALFEX ПОЛИПРОПИЛЕНОВЫЕ ТРУБЫ И ФИТИНГИ
ФИТИНГИ VALFEX
ЗАПОРНАЯ АРМАТУРА VALFEX
ПОЛИПРОПИЛЕНОВЫЕ ТРУБЫ VALFEX
НАСОСНЫЕ СТАНЦИИ
БАЛАНСИРОВОЧНЫЕ КЛАПАНЫ
РУЧНЫЕ БАЛАНСИРОВОЧНЫЕ КЛАПАНЫ
USV-I
MSV-S
MSV-BD
MSV-BD/MSV-S
MSV-F2
RSV54 REON
RSV55 REON
RSV55 REON DN 15-32
АВТОМАТИЧЕСКИЕ БАЛАНСИРОВОЧНЫЕ КЛАПАНЫ
ASV-PV
ASV-PV фланцевые
ASV-PV/ASV-M комплект
ASV-P
AB-PM
ASV-BD
ASV-I
ASV-M
КОМБИНИРОВАННЫЕ
AB-QM
Электроприводы для AB-QM
ПРИНАДЛЕЖНОСТИ
ТЕПЛООБМЕННИКИ НОРД
РЕГУЛИРУЮЩАЯ АРМАТУРА
Блог
Галерея
Прайс-лист
Контакты
0
В корзине
0
товаров
Перейти в корзину
Главная
/
Каталог
/
Краны
/
УЗТА
/
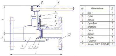
КРАНЫ ШАРОВЫЕ ФЛАНЦЕВЫЕ КШЦФ
В каталог
КРАНЫ ШАРОВЫЕ ФЛАНЦЕВЫЕ КШЦФ
Хит
Хит
Производитель:
УЗТА
PN:
16,25,40
DN:
15-250
Тип присоединения:
Ф/Ф
Тип управления:
Рычаг
Материал корпуса:
Исп.01-сталь 12Х18Н10Т, Исп.02 -Сталь 20, Исп.03 -Сталь 09Г2С
Материал седлового уплотнения:
Фторопласт Ф4
Минимальная температура окружающей среды, °C:
-60С
Максимальная температура рабочей среды, °C:
+200С
Рабочая среда:
вода, пар, газ, нефтепродукты
Все характеристики
В наличии
1 250
Р.
В корзину
-
+
Товар в корзине
Поделиться:
Описание
Характеристики
Производитель
УЗТА
PN
16,25,40
DN
15-250
Тип присоединения
Ф/Ф
Тип управления
Рычаг
Материал корпуса
Исп.01-сталь 12Х18Н10Т, Исп.02 -Сталь 20, Исп.03 -Сталь 09Г2С
Материал седлового уплотнения
Фторопласт Ф4
Минимальная температура окружающей среды, °C
-60С
Максимальная температура рабочей среды, °C
+200С
Рабочая среда
вода, пар, газ, нефтепродукты
Похожие товары
КРАНЫ ШАРОВЫЕ ПРИВАРНЫЕ КШЦП
В наличии
950
Р.
Подробнее
В корзину
-
+
Товар в корзине
КРАНЫ ШАРОВЫЕ С РЕДУКТОРОМ
Нет в наличии
Подробнее
В корзину
-
+
Товар в корзине
КРАНЫ ШАРОВЫЕ МУФТОВЫЕ КШЦМ
В наличии
980
Р.
Подробнее
В корзину
-
+
Товар в корзине
Оформить заказ
Пожалуйста, заполните данные.
Мы свяжемся с Вами в ближайшее время!
Имя
*
Телефон
*
E-mail
*
Комментарий к заказу
*
Я согласен на
обработку персональных данных
Отправить
*
- обязательные поля
+7(995)398-01-16
+7(909)405-72-02
Главная
Компания
Каталог
Блог
Галерея
Прайс-лист
Контакты
Пн-Пт (9:00-18:00)
Сб-Вс вых.