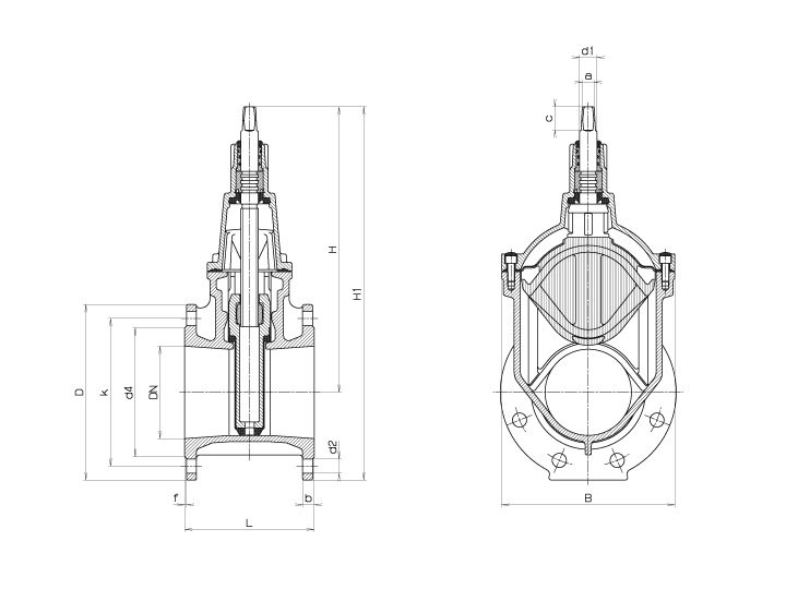
Упругозапирающаяся клиновая задвижка с гладким проходным каналом.
Размеры фланца соответствуют EN 1092-2, ГОСТ 12815-80
- Непревзойденная надежность и запас прочности проверенные временем - реальный опыт эксплуатации более 50 лет!
- Минимальный крутящий момент без редуктора
- Не требует технического обслуживания
Сертификаты предоставляются по запросу.
Штурвал заказывается отдельно
| Номер | Вариант | 50 | 65 | 80 | 100 | 150 | 200 |
| 4000E2 | Короткая EN 558-1 GR 14 | + | + | + | + | + | + |
| 4700E2 | Длинная EN 558-1 GR 15 | + | + | + | + | + | + |

















